- BUSAK+SHAMBAN耐磨环GP系列GP7301600-C380
详细信息
型号:GP7301600-C380 BUSAK+SHAMBAN(B+S)耐磨环GP7301600-C380产品介绍
织物增强复合材料的OrkotSlydring用于暴露在高负载下的液压缸,例如在移动液压和压力机中。高抗压强度、良好的滑动性能和优异的耐磨性能确保了使用寿命长。
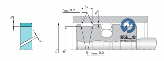
织物复合材料作为标准材料生产,预成型到预定直径并准备好安装。它是用斜切制造的,已经有了必要的间隙“Z1”。
OrkotC380是一种绿松石色的复合材料,由热固性聚合物制成,由细塑料网和浸渍在材料中的润滑剂添加剂增强。它是*通用的;适用于所有常用的液压流体,如矿物油或合成油,以及水基流体。它是一种优良的电绝缘材料,在各种介质中具有增强的滑动特性。
OrkotSlydring广泛用作重型液压设备的轴承元件:
-液压执行机构
-移动液压系统
-挖掘机
-施工设备
-林业机械
-采矿
-钢厂
-印刷机
-水闸
-海洋工程
外观尺寸
BUSAK+SHAMBAN(B+S)耐磨环GP系列其他常见型号:
BUSAK+SHAMBAN(B+S) GP7300550-C380
BUSAK+SHAMBAN(B+S) GP7300750-C380
BUSAK+SHAMBAN(B+S) GP7300800-C380
BUSAK+SHAMBAN(B+S) GP7300850-C380
BUSAK+SHAMBAN(B+S) GP7301000-C380
BUSAK+SHAMBAN(B+S) GP7301100-C380
BUSAK+SHAMBAN(B+S) GP7301150-C380
BUSAK+SHAMBAN(B+S) GP7301200-C380
BUSAK+SHAMBAN(B+S) GP7301250-C380
BUSAK+SHAMBAN(B+S) GP7301300-C380
BUSAK+SHAMBAN(B+S) Seal NEW + ORIGINAL+ ONE YEAR WARRANTY
爱泽工业成立于2010年,定位于向先进制造工业提供高端制造技术和设备。代理经营世界先进的电气自动化、机械与传动、流体控制、仪器仪表、工具等产品。作为电气,液压以及气动解决方案的合作伙伴,我们利用我们的全球协作团队,为客户提供先进解决方案,市场知识以及相关增值服务来帮助优化客户的工作效率,提高可靠性和安全性,致力于成为工业产品和解决方案的优质渠道。
如果有任何关于BUSAK+SHAMBAN(B+S)耐磨环GP7301600-C380的疑问,请随时与我们沟通。我们将尽全力解决您的问题。
BUSAK+SHAMBAN(B+S)耐磨环GP7301600-C380产品参数
扫一扫,手机浏览















