- SENTRY关断阀TSV
详细信息
品牌:SENTRY 型号:TSV 加工定制:否 材质:碳钢 连接形式:法兰 美国SENTRY成立于1924年,那时公司名为HENSZEY,后来1959年更名为SENTRY EQUIPMENT。公司从*初的五名员工发展至今已经成为一个拥有180名员工的全球性企业,为五十多个国家的客户提供服务。SENTRY为客户提供真实的采样和分析技术,可以准确监控和测量,从而提高效率。SENTRY的产品和服务有效地调节,采样和测量气体,液体,泥浆,粉末,固体,蒸汽或水,以帮助客户获得控制和优化过程所需的关键洞察。
SENTRY的主营产品有冷却器,换热器,压力调节器和采样器等。
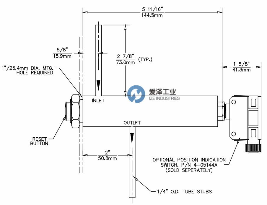
SENTRY关断阀TSV产品介绍及尺寸图
Sentry TSV是一种独立的机械设备,可保护操作员,分析仪和采样组件免受高温液体的伤害。它是电磁截止阀和温度控制器的经济可靠的机械替代品,不需要外部电源,空气或液压装置。
传感器/执行器直接暴露于样品介质。高温会在不到五秒钟的时间内启动设备。高温的某些原因包括冷却水损失,冷却水压力或流量不足,冷却水温度高,样品流速高,进样器冷却器中的盘管破裂或样品冷却器结垢或堵塞。
Sentry TSV是一种可靠的机械解决方案,无需任何电源即可运行,可提供可靠的闭合。跳闸后必须手动将其重置,以确保在纠正系统故障的原因之前不会恢复样品流。
Sentry TSV应该安装在减压设备的下游以及分析仪,流量计和其他低压设备的上游。跳闸后,Sentry TSV的上游侧将承受全部源压力。红色指示器可以很容易地以视觉方式指示阀门位置,并且可选开关可为远程警报提供信号。
The Sentry TSV is a self-contained, mechanical device that protects operators, analyzers and sampling components from high temperature liquids. It is an economical and reliable mechanical replacement for a solenoid shutoff valve and temperature controller, requiring no external source of electricity, air or hydraulics.
The sensor/actuator is directly exposed to the sample medium. High temperatures actuate the device in less than five seconds. Some of the causes of high temperatures include loss of cooling water, insufficient cooling water pressure or flow, high cooling water temperature, high sample flow rate, a ruptured coil in the sampler cooler, or a fouled or plugged sample cooler.
A reliable mechanical solution that requires no electricity to operate, the Sentry TSV provides positive closure. It must be manually reset after a trip, which ensures that sample flow is not resumed before the cause of the system upset has been corrected.
The Sentry TSV should be installed downstream of the pressure-reducing device and upstream of analyzers, flowmeters and other low-pressure devices. After a trip, the upstream side of the Sentry TSV will be exposed to the full source pressure. A red indicator readily provides visual indication of valve position, and an optional switch is available to provide a signal for a remote alarm.
SENTRY关断阀TSV其他常用型号:
SENTRY TSV
SENTRY THERMAL SHUTOFF VALVE NEW + ORIGINAL+ ONE YEAR WARRANTY
爱泽工业成立于2010年,定位于向先进制造工业提供高端制造技术和设备。代理经营世界先进的电气自动化、机械与传动、流体控制、仪器仪表、工具等产品。作为电气,液压以及气动解决方案的合作伙伴,我们利用我们的全球协作团队,为客户提供先进解决方案,市场知识以及相关增值服务来帮助优化客户的工作效率,提高可靠性和安全性,致力于成为工业产品和解决方案的优质渠道。
如果有任何关于SENTRY关断阀TSV的疑问,请随时与我们沟通( )。我们将尽全力解决您的问题。
If you have any question for SENTRY products, please feel free to dial 0086-21-3100 6702/ send request email to / browse our website: www.ize-industries.com.
SENTRY关断阀TSV技术参数及尺寸图
扫一扫,手机浏览















