• REXROTH OIL CONTROL线圈-连接器OD02070130OB02 R901090824

    详细信息

     品牌:REXROTH OIL CONTROL  型号:824  加工定制:否  
    OIL CONTROL成立于1974年(现被博士力士乐收购),在意大利工业领域运动控制阀移动机械市场占有很高的市场容量,且业绩在汽车和工程机械行业迅速增长。今天的OIL CONTROL公司,已是移动设备与机械领域的阀门优质供应商,可以提供1600种不同类型的阀门生产与设计。

    REXROTH OIL CONTROL的主要产品有:换向阀,止回阀,电磁阀,平衡阀,球阀,插装阀,单向阀,溢流阀,行程阀,驱动阀,安全阀,阀组,阀块,电磁阀线圈,流量计等等。

    REXROTH OIL CONTROL线圈-连接器COIL S7 - CLASS H - 30 W系列技术参数


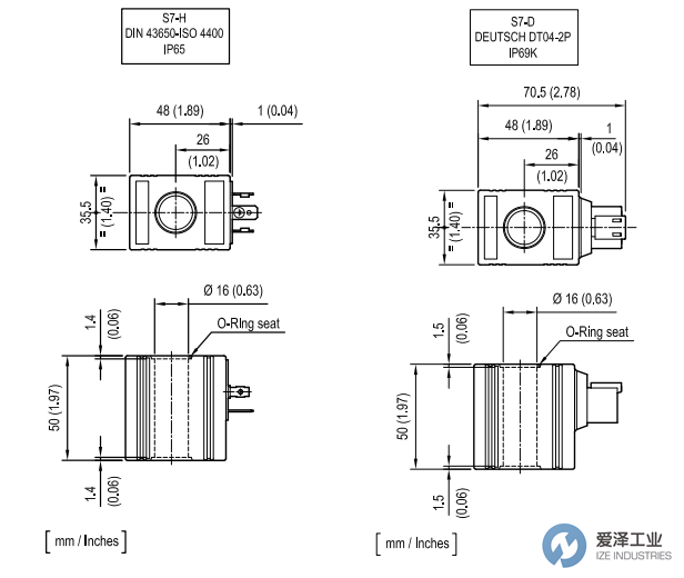
    REXROTH OIL CONTROL线圈-连接器COIL S7 - CLASS H - 30 W系列技术尺寸


    REXROTH OIL CONTROL线圈-连接器COIL S7 - CLASS H - 30 W系列选型


    REXROTH OIL CONTROL线圈-连接器COIL S7 - CLASS H - 30 W系列其他常用型号:
    REXROTH OIL CONTROL OD02070130OB02 R901090824
    REXROTH OIL CONTROL OD02070130OC02 R901090825
    REXROTH OIL CONTROL OD02072030OB02 R901094589
    REXROTH OIL CONTROL OD02072030OG02 R934000349
    REXROTH OIL CONTROL OD02072230OG02 R934000355
    REXROTH OIL CONTROL OD02072030OC02 R901094594
    REXROTH OIL CONTROL OD02072230OB02 R901094595
    REXROTH OIL CONTROL OD02072230OC02 R901094597
    REXROTH OIL CONTROL OD02070H02OB02 R934004373

    REXROTH OIL CONTROL Coils - Connectors NEW + ORIGINAL+ ONE YEAR WARRANTY

    爱泽工业成立于2010年,定位于向制造工业提供高端制造技术和设备。代理经营世界优质的电气自动化、机械与传动、流体控制、仪器仪表、工具等产品。作为电气,液压以及气动解决方案的合作伙伴,我们利用我们的全球协作团队,为客户提供先进解决方案,市场知识以及相关增值服务来帮助优化客户的工作效率,提高可靠性和安全性,致力于成为工业产品和解决方案的优质渠道。

    如果有任何关于REXROTH OIL CONTROL线圈-连接器OD02070130OB02 R901090824的疑问,请随时与我们沟通( )。我们将尽全力解决您的问题。

    If you have any question for REXROTH OIL CONTROL products, please feel free to dial 0086-21-3100 6702/ send request email to / browse our website:www.ize-industries.com.

    REXROTH OIL CONTROL线圈-连接器OD02070130OB02 R901090824技术参数及选型
  • 留言

    *详细需求:
    *手  机:
    联 系 人:
    电    话:
    E-mail:
    公  司:
    谷瀑服务条款》《隐私政策
内容声明:谷瀑为第三方平台及互联网信息服务提供者,谷瀑(含网站、客户端等)所展示的商品/服务的标题、价格、详情等信息内容系由店铺经营者发布,其真实性、准确性和合法性均由店铺经营者负责。谷瀑提醒您购买商品/服务前注意谨慎核实,如您对商品/服务的标题、价格、详情等任何信息有任何疑问的,请在购买前通过谷瀑与店铺经营者沟通确认;谷瀑上存在海量店铺,如您发现店铺内有任何违法/侵权信息,请在谷瀑首页底栏投诉通道进行投诉。
上海爱泽工业设备有限公司 电话:021-31006702 手机:18917501433 地址: 上海市杨浦区纪念路8号财大科技园1号楼201
Copyright ©2003 - 2025 Goepe.com 版权所有 关于谷瀑 | 服务中心 | 著作权与商标声明 | 会员服务 | 隐私声明 | 网站导航