• DEUBLIN旋转接头1114-927-930

    详细信息

     品牌:DEUBLIN  型号:927-930  加工定制:否  
     材质:-    
    公司命名为Deublin Company。它的首个产品将是创新的旋转活接设计,该设计结合了平衡的机械密封。
     
    DEUBLIN产品有:旋转接头,滑环。
     
    DEUBLIN旋转接头1114-927-930技术参数


    DEUBLIN旋转接头1114-927-930产品介绍
    冷却剂和干燥空气的单通道
    获得专利的 AutoSense™ 技术可根据介质类型在封闭密封和受控泄漏操作之间自动切换
    钻孔式设计,易于安装
    允许*大 19 毫米的轴向牵引杆移动
    匹配的 ISO 级 P4 混合滚珠轴承可在高速下平稳运行
    迷宫式系统和大型通风口以保护滚珠轴承
    全流量设计没有任何障碍物可以收集切屑或碎屑
    由碳化硅制成的平衡机械密封即使在恶劣的操作条件下也能实现长寿命
    阳极氧化铝和不锈钢部件耐腐蚀
     
    Single passage for both coolant and dry air
    Patented AutoSense™ technology changes automatically between closed seals and controlled leakage operation in response to the kind of media
    Bore-mounted design for easy installation
    Allows axial drawbar movement up to 19 mm
    Matched, ISO class P4 hybrid ball bearings for smooth operation at high speeds
    Labyrinth system and large vents to protect ball bearings
    Full-flow design has no obstructions to trap swarf or debris
    Balanced mechanical seals made from silicon carbide for long life even under difficult operating conditions
    Anodized aluminum and stainless steel parts resist corrosion
     
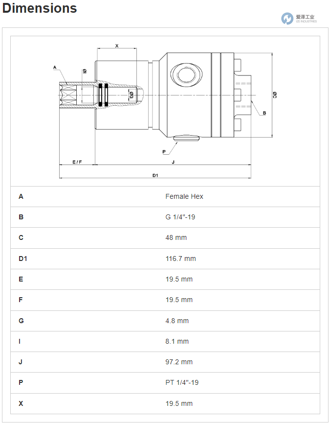
    DEUBLIN旋转接头1114-927-930技术尺寸


    DEUBLIN旋转接头其他常用型号:
    DEUBLIN 1114-040-188
    DEUBLIN 1114-020-192
    DEUBLIN 1114-021-188
    DEUBLIN 1114-020-188
    DEUBLIN 1114-710-717
    DEUBLIN 1114-838-188
    DEUBLIN 1114-041-188
    DEUBLIN 1114-010-165
    DEUBLIN 1114-011-165
    DEUBLIN 1114-927-930
     
    DEUBLIN Union NEW + ORIGINAL+ ONE YEAR WARRANTY
     
    爱泽工业成立于2010年,定位于向制造工业提供高端制造技术和设备。代理经营世界优质的电气自动化、机械与传动、流体控制、仪器仪表、工具等产品。作为电气,液压以及气动解决方案的合作伙伴,我们利用我们的全球协作团队,为客户提供先进解决方案,市场知识以及相关增值服务来帮助优化客户的工作效率,提高可靠性和安全性,致力于成为工业产品和解决方案的优质渠道。
     
    如果有任何关于DEUBLIN旋转接头1114-927-930的疑问,请随时与我们沟通( )。我们将尽全力解决您的问题。
     
    If you have any question for DEUBLIN products, please feel free to dial 0086-21-3100 6702/ send request email to / browse our website:www.ize-industries.com.

    DEUBLIN旋转接头1114-927-930技术参数及尺寸
  • 留言

    *详细需求:
    *手  机:
    联 系 人:
    电    话:
    E-mail:
    公  司:
    谷瀑服务条款》《隐私政策
内容声明:谷瀑为第三方平台及互联网信息服务提供者,谷瀑(含网站、客户端等)所展示的商品/服务的标题、价格、详情等信息内容系由店铺经营者发布,其真实性、准确性和合法性均由店铺经营者负责。谷瀑提醒您购买商品/服务前注意谨慎核实,如您对商品/服务的标题、价格、详情等任何信息有任何疑问的,请在购买前通过谷瀑与店铺经营者沟通确认;谷瀑上存在海量店铺,如您发现店铺内有任何违法/侵权信息,请在谷瀑首页底栏投诉通道进行投诉。
上海爱泽工业设备有限公司 电话:021-31006702 手机:18917501433 地址: 上海市杨浦区纪念路8号财大科技园1号楼201
Copyright ©2003 - 2025 Goepe.com 版权所有 关于谷瀑 | 服务中心 | 著作权与商标声明 | 会员服务 | 隐私声明 | 网站导航